
G65V Performance Curve

G65V Noise curve

G65V Performance Table
| RPM | -1000mmAq | -2000mmAq | ||
| Qs | La | Qs | La | |
| 850 | 1.02 | 0.42 | 0.84 | 0.81 |
| 1000 | 1.35 | 0.49 | 1.17 | 0.95 |
| 1150 | 1.68 | 0.57 | 1.51 | 1.10 |
| 1300 | 2.01 | 0.64 | 1.84 | 1.24 |
| 1450 | 2.34 | 0.71 | 2.17 | 1.38 |
| 1600 | 2.68 | 0.78 | 2.50 | 1.52 |
| 1750 | 3.01 | 0.86 | 2.83 | 1.66 |
| RPM | -2500mmAq | -3000mmAq | ||
| Qs | La | Qs | La | |
| 850 | 0.74 | 0.99 | 0.63 | 1.18 |
| 1000 | 1.07 | 1.18 | 0.96 | 1.39 |
| 1150 | 1.40 | 1.35 | 1.29 | 1.59 |
| 1300 | 1.74 | 1.52 | 1.63 | 1.81 |
| 1450 | 2.07 | 1.71 | 1.96 | 2.01 |
| 1600 | 2.40 | 1.88 | 2.29 | 2.22 |
| 1750 | 2.73 | 2.05 | 2.62 | 2.43 |
| RPM | -3500mmAq | -4000mmAq | ||
| Qs | La | Qs | La | |
| 850 | 0.53 | 1.36 | 0.37 | 1.53 |
| 1000 | 0.85 | 1.59 | 0.71 | 1.80 |
| 1150 | 1.18 | 1.84 | 1.04 | 2.07 |
| 1300 | 1.52 | 2.08 | 1.37 | 2.34 |
| 1450 | 1.85 | 2.31 | 1.70 | 2.61 |
| 1600 | 2.28 | 2.56 | 2.03 | 2.88 |
| 1750 | 2.51 | 2.79 | 2.36 | 3.16 |
| RPM | -4500mmAq | -5000mmAq | ||
| Qs | La | Qs | La | |
| 850 | 0.28 | 1.70 | 0.14 | 1.87 |
| 1000 | 0.61 | 2.00 | 0.47 | 2.19 |
| 1150 | 0.94 | 2.30 | 0.81 | 2.53 |
| 1300 | 1.28 | 2.60 | 1.14 | 2.85 |
| 1450 | 1.61 | 2.90 | 1.47 | 3.18 |
| 1600 | 1.94 | 3.20 | 1.80 | 3.51 |
| 1750 | 2.27 | 3.50 | 2.13 | 3.84 |
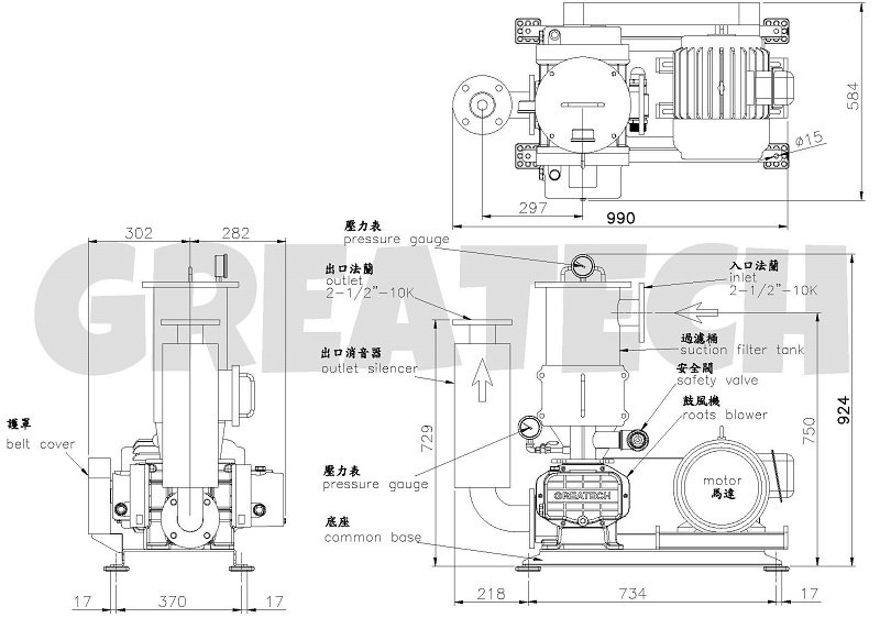
G65V Outline Dimensions

| No. | Item | Material |
| 1 | gear box 齿轮箱 | FC250 |
| 2 | gear box 齿轮 | SCM415 |
| 3 | bearing 轴承 | SUJ2 |
| 4 | bearing case 轴承座 | FC250 |
| 5 | side cover 侧盖 | FC250 |
| 6 | oil plug 加油塞 | S45C |
| 7 | lmpeller 叶轮 | FC250 |
| 8 | eye bolt 吊环 | S45C |
| 9 | shaft seal 轴封 | S45C |
| 10 | oil box 油箱 | FC250 |
| 11 | oil splash 甩油片 | SS400 |
| 12 | oil seal case 油封座 | FC250 |
| 13 | screw nut 螺帽 | SS400 |
| 14 | pulley 皮带轮 | FC250 |
| 15 | oil seal case 油封 | NBR |
| 16 | oil gauge 油镜 | S45C |
| 17 | oil drainer 泄油塞 | S45C |
| 18 | cylinder 汽缸 | FC250 |
| 19 | shaft 轴 | SCM440 |
| 20 | oil gauge 油镜 | S45C |
| 21 | oil drainer 泄油塞 | S45C |
| 22 | oil splash 甩油片 | SS400 |
G65V Outline Dimension
