

G100V Noise curve

G100V Performance Table
| RPM | -1000mmAq | -2000mmAq | ||
| Qs | La | Qs | La | |
| 850 | 5.96 | 1.59 | 5.35 | 3.05 |
| 1000 | 7.26 | 1.87 | 6.64 | 3.58 |
| 1150 | 8.56 | 2.15 | 7.94 | 4.11 |
| 1300 | 9.86 | 2.44 | 9.24 | 4.65 |
| 1450 | 11.15 | 2.71 | 10.54 | 5.19 |
| 1600 | 12.45 | 2.99 | 11.83 | 5.72 |
| 1750 | 13.75 | 3.28 | 13.13 | 6.26 |
| RPM | -2500mmAq | -3000mmAq | ||
| Qs | La | Qs | La | |
| 850 | 5.00 | 3.73 | 4.61 | 4.37 |
| 1000 | 6.29 | 4.37 | 5.91 | 5.15 |
| 1150 | 7.59 | 5.03 | 7.21 | 5.92 |
| 1300 | 8.89 | 5.69 | 8.51 | 6.69 |
| 1450 | 10.19 | 6.34 | 9.81 | 7.46 |
| 1600 | 11.48 | 7.00 | 11.10 | 8.23 |
| 1750 | 12.78 | 7.66 | 12.40 | 9.00 |
| RPM | -3500mmAq | -4000mmAq | ||
| Qs | La | Qs | La | |
| 850 | 4.21 | 4.99 | 3.78 | 5.59 |
| 1000 | 5.51 | 5.88 | 5.08 | 6.59 |
| 1150 | 6.81 | 6.76 | 6.38 | 7.57 |
| 1300 | 8.11 | 7.64 | 7.67 | 8.56 |
| 1450 | 9.40 | 8.53 | 8.97 | 9.55 |
| 1600 | 10.70 | 9.41 | 10.27 | 10.54 |
| 1750 | 12.00 | 10.29 | 11.57 | 11.52 |
| RPM | -4500mmAq | -5000mmAq | ||
| Qs | La | Qs | La | |
| 850 | 3.32 | 6.17 | 2.82 | 6.73 |
| 1000 | 4.61 | 7.26 | 4.12 | 7.92 |
| 1150 | 5.91 | 8.35 | 5.42 | 9.10 |
| 1300 | 7.21 | 9.44 | 6.72 | 10.29 |
| 1450 | 8.51 | 10.53 | 8.01 | 11.48 |
| 1600 | 9.81 | 11.62 | 9.31 | 12.66 |
| 1750 | 11.10 | 12.71 | 11.61 | 13.84 |
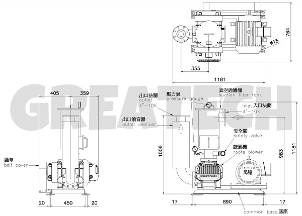
G100V Outline Dimensions

| No. | Item | Material |
| 1 | gear box 齿轮箱 | FC250 |
| 2 | gear box 齿轮 | SCM415 |
| 3 | bearing 轴承 | SUJ2 |
| 4 | bearing case 轴承座 | FC250 |
| 5 | side cover 侧盖 | FC250 |
| 6 | oil plug 加油塞 | S45C |
| 7 | lmpeller 叶轮 | FC250 |
| 8 | eye bolt 吊环 | S45C |
| 9 | shaft seal 轴封 | S45C |
| 10 | oil box 油箱 | FC250 |
| 11 | oil splash 甩油片 | SS400 |
| 12 | oil seal case 油封座 | FC250 |
| 13 | screw nut 螺帽 | SS400 |
| 14 | pulley 皮带轮 | FC250 |
| 15 | oil seal case 油封 | NBR |
| 16 | oil gauge 油镜 | S45C |
| 17 | oil drainer 泄油塞 | S45C |
| 18 | cylinder 汽缸 | FC250 |
| 19 | shaft 轴 | SCM440 |
| 20 | oil gauge 油镜 | S45C |
| 21 | oil drainer 泄油塞 | S45C |
| 22 | oil splash 甩油片 | SS400 |
G100V Outline Dimension
