
G125V Performance Curve

G150V Noise curve

G150V Performance Table
| RPM | -1000mmAq | -2000mmAq | ||
| Qs | La | Qs | La | |
| 750 | 13.72 | 3.39 | 12.93 | 6.49 |
| 900 | 16.89 | 4.07 | 16.11 | 7.79 |
| 1050 | 20.07 | 4.75 | 19.29 | 9.08 |
| 1200 | 23.26 | 5.43 | 22.46 | 10.38 |
| 1350 | 26.43 | 6.11 | 25.65 | 11.67 |
| 1500 | 29.61 | 6.78 | 28.83 | 12.97 |
| 1650 | 32.8 | 7.46 | 32.01 | 14.27 |
| RPM | -2500mmAq | -3000mmAq | ||
| Qs | La | Qs | La | |
| 750 | 12.5 | 7.94 | 12.04 | 9.33 |
| 900 | 15.69 | 9.52 | 15.22 | 11.2 |
| 1050 | 18.87 | 11.11 | 18.4 | 13.05 |
| 1200 | 22.04 | 12.7 | 21.58 | 14.92 |
| 1350 | 25.22 | 14.28 | 24.76 | 16.79 |
| 1500 | 28.41 | 15.87 | 27.93 | 18.66 |
| 1650 | 31.58 | 17.46 | 31.12 | 20.51 |
| RPM | -3500mmAq | -4000mmAq | ||
| Qs | La | Qs | La | |
| 750 | 11.54 | 10.66 | 11 | 11.94 |
| 900 | 14.71 | 12.79 | 14.18 | 14.32 |
| 1050 | 17.89 | 14.92 | 17.37 | 16.72 |
| 1200 | 21.07 | 17.05 | 20.54 | 19.1 |
| 1350 | 24.25 | 19.18 | 23.72 | 21.49 |
| 1500 | 27.43 | 21.32 | 26.9 | 23.87 |
| 1650 | 30.15 | 23.45 | 30.08 | 26.27 |
| RPM | -4500mmAq | -5000mmAq | ||
| Qs | La | Qs | La | |
| 750 | 10.43 | 13.16 | 9.84 | 14.35 |
| 900 | 13.61 | 15.8 | 13.02 | 17.22 |
| 1050 | 16.79 | 18.43 | 16.19 | 20.1 |
| 1200 | 19.97 | 21.07 | 19.37 | 22.96 |
| 1350 | 23.14 | 23.7 | 22.56 | 25.83 |
| 1500 | 26.33 | 26.34 | 25.73 | 28.7 |
| 1650 | 29.51 | 28.97 | 28.91 | 31.58 |
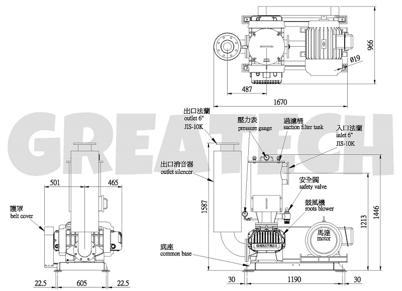
G150V Outline Dimensions

| No. | Item | Material |
| 1 | gear box 齿轮箱 | FC250 |
| 2 | gear box 齿轮 | SCM415 |
| 3 | bearing 轴承 | SUJ2 |
| 4 | bearing case 轴承座 | FC250 |
| 5 | side cover 侧盖 | FC250 |
| 6 | oil plug 加油塞 | S45C |
| 7 | lmpeller 叶轮 | FC250 |
| 8 | eye bolt 吊环 | S45C |
| 9 | shaft seal 轴封 | S45C |
| 10 | oil box 油箱 | FC250 |
| 11 | oil splash 甩油片 | SS400 |
| 12 | oil seal case 油封座 | FC250 |
| 13 | screw nut 螺帽 | SS400 |
| 14 | pulley 皮带轮 | FC250 |
| 15 | oil seal case 油封 | NBR |
| 16 | oil gauge 油镜 | S45C |
| 17 | oil drainer 泄油塞 | S45C |
| 18 | cylinder 汽缸 | FC250 |
| 19 | shaft 轴 | SCM440 |
| 20 | oil gauge 油镜 | S45C |
| 21 | oil drainer 泄油塞 | S45C |
| 22 | oil splash 甩油片 | SS400 |
G150V Outline Dimension
